您好,欢迎访问河南威斯达电气有限公司官网,如有疑问欢迎致电我们进行咨询!
JDZ10-10型电压互感器

技术参数
| 型号 | 额定电压比(kV) | 准确级 | 额定二次输出(VA) | 极限输出(VA) |
|---|---|---|---|---|
| JDZ10 - 10 | 10/0.1 | 0.2 | 15 | 150 |
| JDZ10 - 10 | 10/0.1 | 0.5 | 30 | 150 |
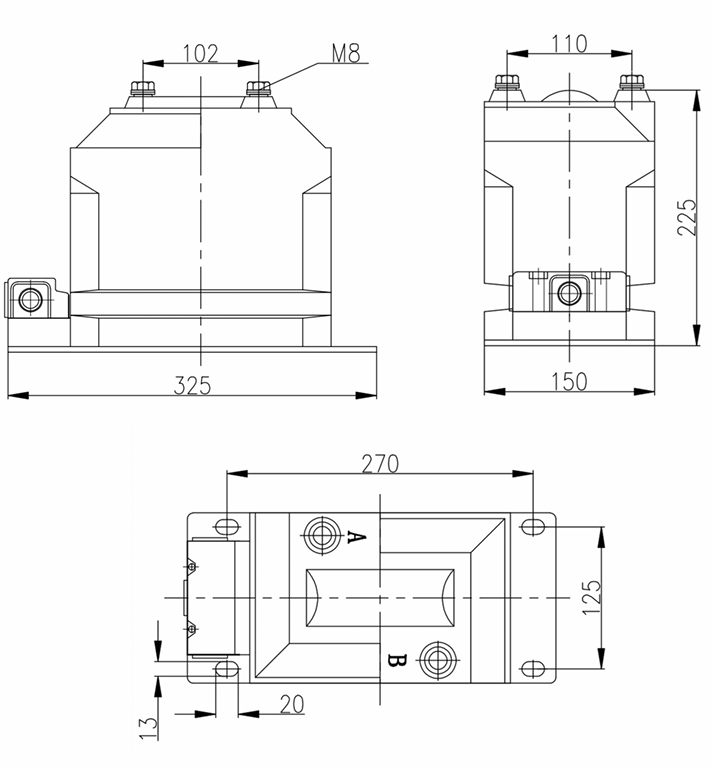
外形尺寸

HOTLINE
电话:15617263330、18838909909 欢迎来电咨询
PHONE
联系人: (15617263330、18838909909)
TEL
固话:0374-3567698
地址:河南省许昌市襄城县创业路一号
邮箱:hnwsddq@163.com